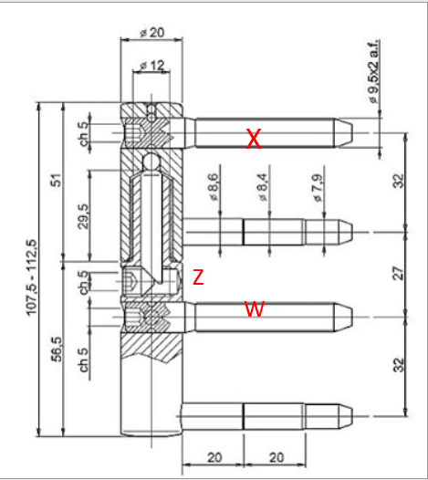
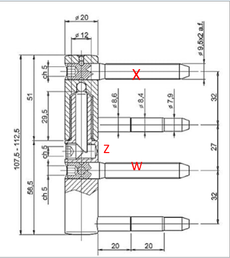
Ancora una cosa, e poi il problema può definirsi sviscerato totalmente: ho finalmente trovato la sezione di una anuba regolabile identica alla tua e ti riporto le conclusioni a cui sono giunto.
Questa è la sezione:

- Anuba regolabile sezione con viti X W Z.png (95.71 KiB) Visto 2866 volte
Poi, per rimanere alle lettere assegnate alle 3 viti dal blog che avevi postato prima del "ferro arrugginito" , riporto direttamente l'immagine del sito:

- Anuba regolabile con viti Z W X.png (59.01 KiB) Visto 2866 volte
Almeno non ci si sbaglia, quando ci si riferisce alla 3 viti X W Z
Quindi, la vite in alto si chiama X la vite centrale si chiama Z e la vite sotto si chiama W.
Ora partiamo dalla vite
X in alto: come si vede, tale vite viene tenuta ferma lungo il suo asse da una sfera che va ad impegnarsi in una gola ricavata sul tondo di 10. Poi sopra si vede un altra sfera che serve a bloccare quella di "lavoro" e che ci viene cianfrinata. Se guardi una delle tue dovresti vedere, dal sopra e lateralmente, un foro con una sfera bloccata dentro.
Per la vite
Z , se non trovavo questa spaccato non si sarei mai arrivato: tale vite (con testa a 90°) spinge un alberino con la parte bassa fatta a cuneo che inverte il movimento ricevuto dalla vite, da orizzontale a verticale. Tale alberino agisce su una sfera che a sua volta spinge solleva il perno della bandella (per chiamarla come viene chiamata nel blog)
Ora guardiamo la vite
W, che è quella che ci interessa maggiormente: qui il sistema di bloccaggio assiale della vite è uguale alla vite X... con una variante: non potendo utilizzare la sfera nella parte superiore, questa viene inserita lateralmente:

- Anuba regolabile sezione con vista bloccaggio vite W.png (54.68 KiB) Visto 2866 volte
E ora possiamo risalire alla causa del perché le tue viti W si spostavano durante la loro rotazione: la cianfrinatura sulla sfera laterale di bloccaggio, non ha retto lo sforzo esercitato sulla sfera di lavoro durante la rotazione della vite W. Quindi la sfera di "lavoro" è stata spinta fuori dalla sua sede e, a quel punto, il cardine sullo stipide ha perso completamente ogni sua possibilità di regolazione e quando ruotavi la vite questa si spostava nel suo asse... e pure il cardine era libero di spostarsi sulla vite, la porta andava fuori asse e molleggiava.
Poi nel momento in cui la vite è stata tirata tutta indietro, la sfera di lavoro è in parte rientrata nella sua gola e, quindi, il cardine si è nuovamente bloccato nel suo asse e durante la chiusura la porta non è più andata fuori asse e il difetto è sparito.
E' stata dura... ma alla fine ce l'hai fatta
