Lavatrice Indesit WDN2296XWU: Il cestello non gira
Moderatore: dalmos
-
testertestov
- Messaggi: 16
- Iscritto il: lun 08 dic 2025 3:34 pm
Re: Lavatrice Indesit WDN2296XWU: Il cestello non gira
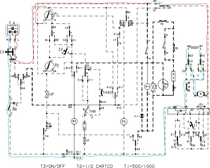
Come ho scritto sopra, non sono riuscito a trovare la legenda (spiegazione) del ciclogramma. Pertanto, ho ipotizzato che gli spessi segmenti neri verticali a destra del numero del programma indichino quale contatto dell'interruttore si sta chiudendo. I numeri degli interruttori sono in basso (01, 1, 2 ... 13 16). Non è chiaro perché i dati per gli interruttori 15 12, 16 13, 14 11 e 17 siano messi in una tabella separata qui sotto. Inoltre, non sono correlati al numero del programma, ma all'angolo di rotazione di qualcosa (180 ... 0 gradi, 360 ... 0 gradi). Qualcuno può spiegarlo?
Tenendo conto di queste ipotesi, ho segnato (in verde) sul ciclogramma tutti i contatti chiusi quando ho selezionato il programma 17. A mio parere, il programma 17 (giro delicato) è il più semplice, senza riscaldamento, asciugatura, impulsi, ecc., ma il tamburo dovrebbe ruotare in esso. Successivamente, ho segnato (in verde) questi contatti chiusi sullo diagramma elettrico, e poi ho segnato le tracce di entrambi i conduttori 220 volt al motore (in blu e rosso). Valutalo, per favore, ho ragione?
Se è vero, si scopre che non ci sono contatti separati che possono impedire l'avvio del generatore di impulsi e l'apertura del triac, come ho ipotizzato. Se 220 volt arrivano al 1° contatto del modulo elettronico, allora questa tensione viene rettificata, scende a 15 volt, il generatore di impulsi si avvia e il triac si apre.
Si scopre che il problema è nel modulo elettronico. Giusto?
Tenendo conto di queste ipotesi, ho segnato (in verde) sul ciclogramma tutti i contatti chiusi quando ho selezionato il programma 17. A mio parere, il programma 17 (giro delicato) è il più semplice, senza riscaldamento, asciugatura, impulsi, ecc., ma il tamburo dovrebbe ruotare in esso. Successivamente, ho segnato (in verde) questi contatti chiusi sullo diagramma elettrico, e poi ho segnato le tracce di entrambi i conduttori 220 volt al motore (in blu e rosso). Valutalo, per favore, ho ragione?
Se è vero, si scopre che non ci sono contatti separati che possono impedire l'avvio del generatore di impulsi e l'apertura del triac, come ho ipotizzato. Se 220 volt arrivano al 1° contatto del modulo elettronico, allora questa tensione viene rettificata, scende a 15 volt, il generatore di impulsi si avvia e il triac si apre.
Si scopre che il problema è nel modulo elettronico. Giusto?
- mariobrossh
- Moderator Maximo
- Messaggi: 17534
- Iscritto il: lun 17 ago 2009 9:11 am
- Località: Cosenza
Re: Lavatrice Indesit WDN2296XWU: Il cestello non gira
si ma lunghezza delle spazzole di quanti centimetri è ?testertestov ha scritto: mer 10 dic 2025 1:53 pmLa prima cosa che ho controllato sono state le spazzole del motore quando l'ho smontato. Sorprendentemente, sono in buone condizioni dopo tutti questi anni. Le lavatrici Indesit degli anni '90 erano sorprendentemente affidabili. Non credo che le facciano più così. Ecco perché voglio ripararlo invece di comprarne uno nuovo.Red Max ha scritto: mar 09 dic 2025 7:46 pm Le spazzole del motore vanno controllate sempre il classico difetto è l'usura quindi la lunghezza si riduce e non tocca il collettore, ma ci sono altre possibilità:
il carboncino è fessurato
il carboncino è incastrato e la molla non lo fa toccare
il rame dove fa contatto il carboncino è consumato
varie ed eventuali
questo perché magari in diretta il motore ti funziona ma con la regolazione della tensione e il controllo tachimetrico non parte.
in base alle mie conoscenze elettroniche è più probabile che sia guasto il relè che inverte il senso di rotazione rispetto al triac.
Condividere un'idea è sempre una buona idea 
-
testertestov
- Messaggi: 16
- Iscritto il: lun 08 dic 2025 3:34 pm
Re: Lavatrice Indesit WDN2296XWU: Il cestello non gira
Insisti ancora che siano le spazzole?mariobrossh ha scritto: mer 10 dic 2025 2:53 pm si ma lunghezza delle spazzole di quanti centimetri è ?
Come possono essere il problema se il motore si avvia quando la tensione di trigger viene applicata al gate del triac? Questo non è un controllo del livello di tensione, ma un controllo di fase (frequenza degli impulsi).
Re: Lavatrice Indesit WDN2296XWU: Il cestello non gira
che io sappia il triac viene utilizzato come un interruttore/diodo per ridurre la tensione che alimenta il motore, non viene variata né la fase tantomeno la frequenza, i circuiti che fanno quelle funzioni sono molto più complessi.
- mariobrossh
- Moderator Maximo
- Messaggi: 17534
- Iscritto il: lun 17 ago 2009 9:11 am
- Località: Cosenza
Re: Lavatrice Indesit WDN2296XWU: Il cestello non gira
e infatti, che io sappia i motori a controllo di fase sono utilizzati nelle CNC
le lavatrici moderne utilizzano motori a spazzole o brushless
le lavatrici moderne utilizzano motori a spazzole o brushless
Condividere un'idea è sempre una buona idea 
-
testertestov
- Messaggi: 16
- Iscritto il: lun 08 dic 2025 3:34 pm
Re: Lavatrice Indesit WDN2296XWU: Il cestello non gira
Amici, date un'occhiata alla scheda tecnica del TDA1085C: https://www.onsemi.com/download/data-sh ... 085c-d.pdf
"The TDA1085C is a phase angle triac controller..."
"The TDA1085C is a phase angle triac controller..."
Re: Lavatrice Indesit WDN2296XWU: Il cestello non gira
https://www.google.com/search?q=COME+FA ... e&ie=UTF-8
Hai controllato la tensione sui pin 5 e 6 del TDA1085? Gli elettrolitici di quella zona vanno controllati col capacimetro, ilcontrollo visivo non è sufficiente.
https://www.facebook.com/photo/?fbid=56 ... 8987295945
Hai controllato la tensione sui pin 5 e 6 del TDA1085? Gli elettrolitici di quella zona vanno controllati col capacimetro, ilcontrollo visivo non è sufficiente.
https://www.facebook.com/photo/?fbid=56 ... 8987295945
-
testertestov
- Messaggi: 16
- Iscritto il: lun 08 dic 2025 3:34 pm
Re: Lavatrice Indesit WDN2296XWU: Il cestello non gira
Sì, grazie, ho misurato la tensione sui pin 5 e 6 del TDA1085 e ho trovato una tensione completamente diversa da quella che mi aspettavo.
Ho misurato la tensione all'uscita della sorgente a +15 volt e ho scoperto che era solo 1,5, anche se in precedenza era stata 15. A quanto pare, durante tutta questa risaldatura e sostituzione di componenti elettronici, qualcos'altro si è guastato.
Certo, volevo riparare l'unità solo per divertimento, ma mi sono stancato di armeggiare. Soprattutto perché ho trovato un'unità funzionante online per soli 12 euro, spedizione inclusa.
Ho misurato la tensione all'uscita della sorgente a +15 volt e ho scoperto che era solo 1,5, anche se in precedenza era stata 15. A quanto pare, durante tutta questa risaldatura e sostituzione di componenti elettronici, qualcos'altro si è guastato.
Certo, volevo riparare l'unità solo per divertimento, ma mi sono stancato di armeggiare. Soprattutto perché ho trovato un'unità funzionante online per soli 12 euro, spedizione inclusa.
-
testertestov
- Messaggi: 16
- Iscritto il: lun 08 dic 2025 3:34 pm
Re: Lavatrice Indesit WDN2296XWU: Il cestello non gira
È un peccato che nessuno abbia saputo rispondere a questa domanda:
Sono ancora perplesso. Forse ha a che fare con i tempi di asciugatura e con i controlli della temperatura dell'acqua?testertestov ha scritto: mer 10 dic 2025 2:50 pm Non è chiaro perché i dati per gli interruttori 15 12, 16 13, 14 11 e 17 siano messi in una tabella separata qui sotto. Inoltre, non sono correlati al numero del programma, ma all'angolo di rotazione di qualcosa (180 ... 0 gradi, 360 ... 0 gradi). Qualcuno può spiegarlo?
Re: Lavatrice Indesit WDN2296XWU: Il cestello non gira
Dovrebbe essere perché la rotazione del timer è gestita dall'elettronica in pratica esso viene usato solo per i contatti ma i programmi dipendono dalla parte digitale che ne aziona il motorino facendolo posizionare dove serve, spesso i clienti si lamentavano che facevano partire il programma e "la manopola va subito avanti" oppure "resta ferma molto tempo in una posizione".
I vecchi timer "normali" giravano tipo come un orologio.
Per quanto mi riguarda nelle lavatrici io controllo prima tutte le "periferiche" e solo per esclusione penso che sia il timer o la scheda.
Per quanto riguarda "le macchine vecchie duravano di più" vero ma la centrifuga era a 700 giri mentre quella che ho adesso arriva a 1200 e lo fa gradualmente controllando sempre il bilanciamento del cesto.
I vecchi timer "normali" giravano tipo come un orologio.
Per quanto mi riguarda nelle lavatrici io controllo prima tutte le "periferiche" e solo per esclusione penso che sia il timer o la scheda.
Per quanto riguarda "le macchine vecchie duravano di più" vero ma la centrifuga era a 700 giri mentre quella che ho adesso arriva a 1200 e lo fa gradualmente controllando sempre il bilanciamento del cesto.
-
testertestov
- Messaggi: 16
- Iscritto il: lun 08 dic 2025 3:34 pm
Re: Lavatrice Indesit WDN2296XWU: Il cestello non gira
Oh no, anche la mia vecchia macchina aveva una velocità di centrifuga di 1200 e un avvio graduale.Red Max ha scritto: mer 17 dic 2025 8:08 pm Per quanto riguarda "le macchine vecchie duravano di più" vero ma la centrifuga era a 700 giri mentre quella che ho adesso arriva a 1200 e lo fa gradualmente controllando sempre il bilanciamento del cesto.
-
testertestov
- Messaggi: 16
- Iscritto il: lun 08 dic 2025 3:34 pm
Re: Lavatrice Indesit WDN2296XWU: Il cestello non gira
Bene, ho riportato in vita la vecchia signora.
Grazie, amici, per la vostra partecipazione.
Grazie, amici, per la vostra partecipazione.
- Capitan Farloc
- Site Admin
- Messaggi: 9846
- Iscritto il: gio 29 dic 2005 10:58 pm
- Località: Roma
Re: Lavatrice Indesit WDN2296XWU: Il cestello non gira
Grazie a te per averci aggiornati, sono contento che tu sia riuscito a risolvere
Se poi ti va di condividere le informazioni su qual era il problema e come sei riuscito a risolverlo sono sicuro che potrà essere utile a qualcun altro che si dovesse ritrovare nelle stesse condizioni
Grazie e a presto
Se poi ti va di condividere le informazioni su qual era il problema e come sei riuscito a risolverlo sono sicuro che potrà essere utile a qualcun altro che si dovesse ritrovare nelle stesse condizioni
Grazie e a presto
Luciano
-
testertestov
- Messaggi: 16
- Iscritto il: lun 08 dic 2025 3:34 pm
Re: Lavatrice Indesit WDN2296XWU: Il cestello non gira
Sfortunatamente, non so quale parte radio del modulo elettronico fosse difettosa. Come ho scritto sopra,Capitan Farloc ha scritto: gio 25 dic 2025 7:32 pm Grazie a te per averci aggiornati, sono contento che tu sia riuscito a risolvere![]()
Se poi ti va di condividere le informazioni su qual era il problema e come sei riuscito a risolverlo sono sicuro che potrà essere utile a qualcun altro che si dovesse ritrovare nelle stesse condizioni![]()
Grazie e a presto
Ho sostituito il modulo e la vecchia signora ha funzionatotestertestov ha scritto: sab 13 dic 2025 12:06 pm Certo, volevo riparare l'unità solo per divertimento, ma mi sono stancato di armeggiare. Soprattutto perché ho trovato un'unità funzionante online per soli 12 euro, spedizione inclusa.

Ho prestato attenzione a una cosa. Il sensore di pressione non ha funzionato di nuovo correttamente. Ho notato una leggera soschia sopra di lui. Forse. Era vapore. Ho visto l'acqua gorgogliare in piccoli fori nel sensore. Ho immediatamente disinnessato la lavatrice, svitato il sensore, scollegato il tubo di gomma e aerato il sensore. Poi ho raccolto tutto e ho ricominciato il processo. Non so se sia a causa del lungo tempo di inattività della lavatrice, o è in qualche modo correlato al malfunzionamento del modulo elettronico. Ora ho già fatto 5 lavaggi di prova e il sensore di pressione ha funzionato correttamente.
In ogni caso, forse tutto il mio caso sarà utile a qualcuno.
- Capitan Farloc
- Site Admin
- Messaggi: 9846
- Iscritto il: gio 29 dic 2005 10:58 pm
- Località: Roma