Buongiorno,
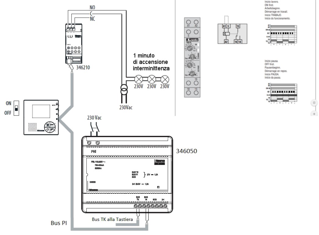
devo installare tre lampade luminoso 230V intermittenza per 15-30 secondi/1 minuto, ma non so come collegare il temporizzatore (vedi allegato)
E' possibile?
Un grazie a tutti per l'aiuto
VIDEOCITOFONO CON 3 LUCI INTERMITTENZA (220 V)
-
tutronuydo
- Messaggi: 5
- Iscritto il: mer 16 set 2020 11:35 am
VIDEOCITOFONO CON 3 LUCI INTERMITTENZA (220 V)
- Allegati
-
- Schema.jpg.ce07e38020b78634db81d5c61117f53a (Media).jpg (85.91 KiB) Visto 798 volte
- mariobrossh
- Moderator Maximo
- Messaggi: 17525
- Iscritto il: lun 17 ago 2009 9:11 am
- Località: Cosenza
Re: VIDEOCITOFONO CON 3 LUCI INTERMITTENZA (220 V)
non sai come collegare il temporizzatore alle lampade o al videocitofono ?
Condividere un'idea è sempre una buona idea 
-
tutronuydo
- Messaggi: 5
- Iscritto il: mer 16 set 2020 11:35 am
Re: VIDEOCITOFONO CON 3 LUCI INTERMITTENZA (220 V)
Tutti e due, se uno suona dal videocitofono, le 3 lampade (230V) deve fare intermittenza per 15-30 secondi