anche per quelle di serve lo svasatore che deve essere specifico per il materiale che andrai a svasareplcet ha scritto:oggi ho girato un pò ed ho visto delle passanti che forse farebbero al caso mio, che ne dite?
la vite è 6x20 e la testa sarà non più di un mm di profondità, altrimenti necessito per forza di una svasatrice? pure per fissare le guide, devo per forza mettere le viti, sennò come le reggo?
Banco sega circolare
- mariobrossh
- Moderator Maximo
- Messaggi: 17225
- Iscritto il: lun 17 ago 2009 9:11 am
- Località: Cosenza
Re: Banco sega circolare
Condividere un'idea è sempre una buona idea 
Re: Banco sega circolare
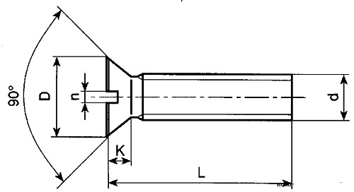
eh mario, mica ne sono convinto, non che voglio contraddirti, ma avendo la testa piana, , basta una punta da 10 (ho misurato la testa) e non necessita per forza di svasatura, ma è sufficiente "sprofondare" un pò, credo che con un trapano a colonna regolato a misura, vada bene : Blink :
Re: Banco sega circolare
Se vuoi anche per le viti a testa svasata basta la punta da trapano,
L'angolo di lavoro rispetto al pezzo delle normali punte da trapano è di 118°, per gli accessori a svasare si impiega un angolo di 90°. Se hai una mola e una punta del diametro della testa la puoi fare, anche se non viene perfetta va bene.
L'angolo di lavoro rispetto al pezzo delle normali punte da trapano è di 118°, per gli accessori a svasare si impiega un angolo di 90°. Se hai una mola e una punta del diametro della testa la puoi fare, anche se non viene perfetta va bene.
Ciao a tutti.....Carlo
Re: Banco sega circolare
ci avevo pensato anche io.....di solito per l' M6, la testa è da 10,5, 11, quindi penso che con una punta da 10 ce la dovrei fare, mo vedo se riesco a trovare qualcosa di vecchio e la preparo io una punta svasatrice
, comunque credo che facendo un foro da 6 per la filettatura, poi parto con una punta da 8 e finisco con una da 10, dovrei ottenere il risultato giusto....al massimo con un disco levigante, ci tolgo l' eccesso, senza rovinare completamente l' inserto per la vite e se un domani dovesse servire di smontarla.....posso 
Re: Banco sega circolare
il lavoro piano piano continua, questa è una prova a secco....la lama fissata sulla lamiera è ben a squadro, poi vorrei fare un volantino per favorire l' alza/abbassa della sega.....che ve ne pare???
- Allegati
-
- IMG_1148.JPG (76.47 KiB) Visto 2905 volte
- mariobrossh
- Moderator Maximo
- Messaggi: 17225
- Iscritto il: lun 17 ago 2009 9:11 am
- Località: Cosenza
Re: Banco sega circolare
non è semplice perché le seghe circolari a mano hanno una leva di sblocco per regolare l'altezza
mentre sui banchi sega è tutto il blocco motore/sega a muoversi
mentre sui banchi sega è tutto il blocco motore/sega a muoversi
Condividere un'idea è sempre una buona idea 
Re: Banco sega circolare
è un lavoraccio da fare, me ne sono accorto, più che difficile è di precisione millimetrica, quindi necessita di tempo e pazienza.....ho visto diversi video per realizzare un alza/abbassa, ma ogni cosa a suo tempo 
- mariobrossh
- Moderator Maximo
- Messaggi: 17225
- Iscritto il: lun 17 ago 2009 9:11 am
- Località: Cosenza
Re: Banco sega circolare
secondo me non ne vale la pena, tranne che per fare scanalature l'altezza della lama la puoi
lasciare tranquillamente tutta su, piuttosto fai in modo che il piano sia facilmente sollevabile
e bloccabile in maniera sicura
lasciare tranquillamente tutta su, piuttosto fai in modo che il piano sia facilmente sollevabile
e bloccabile in maniera sicura
Condividere un'idea è sempre una buona idea 
Re: Banco sega circolare
ma quello sicuramente, io il banchetto per ora lo faccio alto 30/40 cm così che diventa trasportabile, mi hanno consigliato di fare lo zero clarance, per i tagli a 45°, ma con 2 mm di spessore come devo fare? multistrato da 4, levigato a misura? boh... 
- mariobrossh
- Moderator Maximo
- Messaggi: 17225
- Iscritto il: lun 17 ago 2009 9:11 am
- Località: Cosenza
Re: Banco sega circolare
Non ho capito dove intendi mettere lo zero clarance dal momento che hai già fatto la piastra con la fessura per la lama
Condividere un'idea è sempre una buona idea 
Re: Banco sega circolare
all' inizio intendevo fare il foro uguale a quello della piastra poi però ragionando con il fabbro ha detto...." e se devi tagliare pezzi più sottili??" e giustamente abbiamo lasciato così. Ora ho devo allargare il foro della piastra e con il legno farlo poggiare sulla piastra della sega, oppure devo creare un qualcosa che con la guida, mi mantenga il pezzo a 45°, tu cosa consigli?
- mariobrossh
- Moderator Maximo
- Messaggi: 17225
- Iscritto il: lun 17 ago 2009 9:11 am
- Località: Cosenza
Re: Banco sega circolare
con quella piastra di ferro non hai molte alternative quindi io mi farei allargare il foro sulla piastra
considera che sul mio banco il foro sulla piastra sarà al massimo largo 10/13 mm, del resto lo puoi
misurare sulla piastra della tua sega
considera che sul mio banco il foro sulla piastra sarà al massimo largo 10/13 mm, del resto lo puoi
misurare sulla piastra della tua sega
Condividere un'idea è sempre una buona idea 
Re: Banco sega circolare
esatto, sulla mia se non erro siamo li, sempre intorno ai 13, però fondamentalmente il discorso del clearence sta sul fatto che la lama esca fuori, avendo un piano che non permetta ai pezzi di entrare nella piastra originaria!!! Ora sto pensando di farmi allargare il foro, avendo un appoggio sulla piastra originale di 2/3 cm, sia sul fronte che sul laterale, per poi creare i 2 mm che andranno a pareggiare il piano...ho del multistrato di toulipier da 4 mm, lo taglio a misura del foro , lo adagio e poi lo porto a pari levigandolo...ma come faccio a mantenere la linea dritta?? forse è quasi meglio la fresa, che dici? lo faccio entrare e poi freso con la manuale, andrebbe bene? secondo me simariobrossh ha scritto:con quella piastra di ferro non hai molte alternative quindi io mi farei allargare il foro sulla piastra
considera che sul mio banco il foro sulla piastra sarà al massimo largo 10/13 mm, del resto lo puoi
misurare sulla piastra della tua sega
- mariobrossh
- Moderator Maximo
- Messaggi: 17225
- Iscritto il: lun 17 ago 2009 9:11 am
- Località: Cosenza
Re: Banco sega circolare
Non ho capito granché prova a fare un disegno 
Condividere un'idea è sempre una buona idea 
Re: Banco sega circolare
la cosa che intendo è che avendo tutto libero, ovvero la piastra della sega, bacia con la lamiera del piano, mi ritroverei con 2 mm di disponibilità per fare lo 0 clearence, la situazione attuale è questa.....
la piastra della sega (in rosso si vede l' intenzione dello 0 clearence) e il tavolino, visto da sotto per incassare la sega.
la piastra della sega (in rosso si vede l' intenzione dello 0 clearence) e il tavolino, visto da sotto per incassare la sega.
- Allegati
-
- IMG_1156.JPG (64.52 KiB) Visto 2883 volte
-
- IMG_1155.JPG (117.63 KiB) Visto 2883 volte