compressore freezer
Moderatore: dalmos
compressore freezer
invece di portare il freezer rotto in discarica qualcuno ha pensato di abbandonarlo vicino a casa mia . cosi' ho pensato di recuperare il compressore per poterlo riutilizzare.
ho provato a collegarlo in un po di maniere ma non c'e' stato verso di farlo andare , in una certa maniera si sentiva come un tic di innesto ma niente altro
sapete aiutarmi per farlo andare
allego foto i due cavi tripolari sono , uno quello che va alla spina , l'altro al pannello di controllo
ciao
ho provato a collegarlo in un po di maniere ma non c'e' stato verso di farlo andare , in una certa maniera si sentiva come un tic di innesto ma niente altro
sapete aiutarmi per farlo andare
allego foto i due cavi tripolari sono , uno quello che va alla spina , l'altro al pannello di controllo
ciao
nitro52
Re: compressore freezer
questo e' l'etichetta sul motore
( non riuscivo a allegare piu' di tre foto)
ciao
( non riuscivo a allegare piu' di tre foto)
ciao
nitro52
Re: compressore freezer
Il fatto che tu abbia sentito uno ticchettio vuol dire che lo hai collegato bene a quel punto , solo che non è partito perché il motore è rotto .
Perciò facciamo qualche verifica .
Stacca la parte morsettiera in blu dal motore , vedi che ti rimarranno due fili che vanno a finire sulla parte in bianco che corrisponde al PTC in basso e al salvamotore o klixson tondo in alto ..
La tensione la dovrai applicare a questi due capi .
Se non funziona dopo due o tre interventi del klixon ,
non ti resta altro da fare che aprire il corpo del PTC , estrai tutto dai morsetti del motore e sul davanti troverai un coperchietto ad incastri , lo apri e controlla se la pasticca al suo interno fosse spaccata , se invece è integra non ti resta altro da fare che spiegarglielo tu in raccolta differenziata . :mrgreen:
Ciao
Perciò facciamo qualche verifica .
Stacca la parte morsettiera in blu dal motore , vedi che ti rimarranno due fili che vanno a finire sulla parte in bianco che corrisponde al PTC in basso e al salvamotore o klixson tondo in alto ..
La tensione la dovrai applicare a questi due capi .
Se non funziona dopo due o tre interventi del klixon ,
non ti resta altro da fare che aprire il corpo del PTC , estrai tutto dai morsetti del motore e sul davanti troverai un coperchietto ad incastri , lo apri e controlla se la pasticca al suo interno fosse spaccata , se invece è integra non ti resta altro da fare che spiegarglielo tu in raccolta differenziata . :mrgreen:
Ciao
• A volte è meglio tacere e sembrare stupidi che aprir bocca e togliere ogni dubbio.
Oscar Wilde
Oscar Wilde
Re: compressore freezer
@Dalmos nel frattempo Grazienitro 52 ha scritto:invece di portare il freezer rotto in discarica qualcuno ha pensato di abbandonarlo vicino a casa mia . cosi' ho pensato di recuperare il compressore per poterlo riutilizzare.
ho provato a collegarlo in un po di maniere ma non c'e' stato verso di farlo andare , in una certa maniera si sentiva come un tic di innesto ma niente altro
sapete aiutarmi per farlo andare
allego foto i due cavi tripolari sono , uno quello che va alla spina , l'altro al pannello di controllo
ciao
volevo rettificare due cose
i cavi non sono tri ma bipolari
avevo trovato vicino una sorta di condensatore ( non pensavo facesse parte del motore ) ma leggendo quanto era scritto sul cavo ho visto che fa parte di uno dei due cavi neri.
a questo punto: uno cavo va al condensatore , uno proviene dal pannello controllo , e il cavo con la spina ( che avevo tagliato ) va al pannello di controllo
detto questo se non cambia nulla faro' come hai detto
ciao
nitro52
Re: compressore freezer
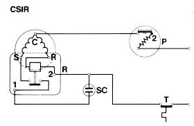
Questo è lo schema con il condensatore.
• A volte è meglio tacere e sembrare stupidi che aprir bocca e togliere ogni dubbio.
Oscar Wilde
Oscar Wilde
Re: compressore freezer
Scusa Dalmos , mi spieghi a parole come devo collegare, non capisco lo schema
Ciao
Ciao
nitro52
Re: compressore freezer
Lascia stare questo tipo di collegamento , fai come detto in precedenza ,
È molto più semplice per te ,
Altrimenti devi ripristinare tutti i collegamenti presenti in morsettiera attraverso i cavi che hai spezzato , però si deve sapere o risalire a dove fossero collegati . Immagino che tu non lo sappia , e per risalire a ciò occorrerebbe avere la morsettiera in mano e guardare .
Comunque .
Sulla morsettiera dovrebbero essere presenti 4 file verticali di contatti
La prima vicino al motore è contrassegnata con il simbolo della massa.
Seconda e terza , una identificata con N è l'altra con L
Su questi due va collegato il cavo di alimentazione
Un filo marrone su N un filo blu su L è uno giallo verde su massa
A questo punto per identificare il cavo bipolare del condensatore devi vedere quale dei due cavi tagliati ha uno dei due fili interni che va direttamente sul PTC , mentre l'altro filo collegato sul morsetto N .
a questo punto dovendo ospitare il condensatore , il PTC dovrebbe avere due fasto maschi . Collegati .
Una volta identificato ci colleghi il condensatore ai terminali del cavo .
L'altro cavo tagliato , Dovrebbe essere quello del termostato ,
Dovrebbe avere uno dei due fili interni collegati rispettivamente uno su L e uno sulla quarta e ultima fila di contatti , dove trovi il filo nero che va al salvamotore .
Se è così , questi due fili vanno Uniti insieme all'estremita del cavetto , oppure ponticellando direttamente in morsettiera , evitando così fili volanti esterni .
Se è complicato per te , fai come detto nella risposta antecedente .
È molto più semplice per te ,
Altrimenti devi ripristinare tutti i collegamenti presenti in morsettiera attraverso i cavi che hai spezzato , però si deve sapere o risalire a dove fossero collegati . Immagino che tu non lo sappia , e per risalire a ciò occorrerebbe avere la morsettiera in mano e guardare .
Comunque .
Sulla morsettiera dovrebbero essere presenti 4 file verticali di contatti
La prima vicino al motore è contrassegnata con il simbolo della massa.
Seconda e terza , una identificata con N è l'altra con L
Su questi due va collegato il cavo di alimentazione
Un filo marrone su N un filo blu su L è uno giallo verde su massa
A questo punto per identificare il cavo bipolare del condensatore devi vedere quale dei due cavi tagliati ha uno dei due fili interni che va direttamente sul PTC , mentre l'altro filo collegato sul morsetto N .
a questo punto dovendo ospitare il condensatore , il PTC dovrebbe avere due fasto maschi . Collegati .
Una volta identificato ci colleghi il condensatore ai terminali del cavo .
L'altro cavo tagliato , Dovrebbe essere quello del termostato ,
Dovrebbe avere uno dei due fili interni collegati rispettivamente uno su L e uno sulla quarta e ultima fila di contatti , dove trovi il filo nero che va al salvamotore .
Se è così , questi due fili vanno Uniti insieme all'estremita del cavetto , oppure ponticellando direttamente in morsettiera , evitando così fili volanti esterni .
Se è complicato per te , fai come detto nella risposta antecedente .
• A volte è meglio tacere e sembrare stupidi che aprir bocca e togliere ogni dubbio.
Oscar Wilde
Oscar Wilde
Re: compressore freezer
Scusami tanto nitro , rileggi la prima pagina , sta scritto dove si trova e come è fatto .
• A volte è meglio tacere e sembrare stupidi che aprir bocca e togliere ogni dubbio.
Oscar Wilde
Oscar Wilde
Re: compressore freezer
Il ptc è una termoresistenza, rimpiazza gli avviatori elettromeccanici,
serve appunto per avviare il motore, in fase di avvio, alimenta per
alcuni secondi l'avvolgimento di avvio del motore (C-S dello schema),
a gruppo avviato,rimane alimeentato il solo avvolgimento di funzionamento
(C-R dello schema)
Se cerchi nel forum, trovi diverse discussioni sull'avvio e la costruzione di
compressori silenziosi.
Cerca in rete il datasheet di quel gruppo, trovi lo schema e le caratteristiche
specifiche
Stefano, abbiamo scritto simultaneamente
serve appunto per avviare il motore, in fase di avvio, alimenta per
alcuni secondi l'avvolgimento di avvio del motore (C-S dello schema),
a gruppo avviato,rimane alimeentato il solo avvolgimento di funzionamento
(C-R dello schema)
Se cerchi nel forum, trovi diverse discussioni sull'avvio e la costruzione di
compressori silenziosi.
Cerca in rete il datasheet di quel gruppo, trovi lo schema e le caratteristiche
specifiche
Stefano, abbiamo scritto simultaneamente
Re: compressore freezer
Grazie Rokko , mi fa piacere che rispondano anche altri . Se anticipavi mi avrebbe fatto ancora più piacere .rokko ha scritto:
Stefano, abbiamo scritto simultaneamente
• A volte è meglio tacere e sembrare stupidi che aprir bocca e togliere ogni dubbio.
Oscar Wilde
Oscar Wilde
Re: compressore freezer
allora oggi ho provato in entrambe i modi ma non e' successo niente forse ho sbagliato qualche cosa : Blink : ma sbagliare 2 cose su due e avere seguito passo passo quanto mi avete detto mi pare strano
comunque
la pastoglietta all'interno del ptc e' intatta , l'unica cosa che non non c'e' o non ho visto sono i due che dalla morsettiera vanno al ptc , il condensatore l'ho attaccato allo spezzone di filo che era attaccato alla morsettiera (il filo attaccato aveva scritto le identiche cose dello spezzone della morsettiera )
a questo punto se non ci sono altre possibili prove da fare lo portero' in villeggiatura alla discarica
vi allego altre foto
non riesco a caricarne piu' di tre
vado al èrossimo post
comunque
la pastoglietta all'interno del ptc e' intatta , l'unica cosa che non non c'e' o non ho visto sono i due che dalla morsettiera vanno al ptc , il condensatore l'ho attaccato allo spezzone di filo che era attaccato alla morsettiera (il filo attaccato aveva scritto le identiche cose dello spezzone della morsettiera )
a questo punto se non ci sono altre possibili prove da fare lo portero' in villeggiatura alla discarica
vi allego altre foto
non riesco a caricarne piu' di tre
vado al èrossimo post
- Allegati
-
- retro morsettiera i due faston si inseriscono nel salvamotore
- RSCN5870.JPG (69.29 KiB) Visto 5341 volte
-
- RSCN5868.JPG (70.42 KiB) Visto 5341 volte
-
- salvamotore vedi un solo filo
- RSCN5866.JPG (64.73 KiB) Visto 5341 volte
nitro52
Re: compressore freezer
occo le foto
nella prima foto il condensatore l'ho messo dove era l'altro cavo andava al termostato
nella prima foto il condensatore l'ho messo dove era l'altro cavo andava al termostato
- Allegati
-
- RSCN5875.JPG (124.63 KiB) Visto 5340 volte
-
- dove la morsettiera si incastra nel PTC
- RSCN5877.JPG (73.61 KiB) Visto 5340 volte
-
- RSCN5872.JPG (72.66 KiB) Visto 5340 volte
nitro52
Re: compressore freezer
Il collegamento preciso è questo nella prima delle tre foto , solo che manca il cavo di alimentazione e manca la giuntura tra i due fili del cavetto a due . Che vedo aperti.
Come mai?
Nella foto centrale , si vede chiaro che il collegamento tra morsettiera e PTC non è tramite cavi , ma ad innesti rapidi .
Senza condensatore , vi sarebbe solo un faston .
Come mai?
Nella foto centrale , si vede chiaro che il collegamento tra morsettiera e PTC non è tramite cavi , ma ad innesti rapidi .
Senza condensatore , vi sarebbe solo un faston .
• A volte è meglio tacere e sembrare stupidi che aprir bocca e togliere ogni dubbio.
Oscar Wilde
Oscar Wilde
Re: compressore freezer
se hai un tester magari prova la continuità degli avvolgimenti