TVSamsung - Disabilitare la protezione dell'inverter della retroilluminazione SEM2006
Moderatore: dalmos
TVSamsung - Disabilitare la protezione dell'inverter della retroilluminazione SEM2006
Buongiorno!
Dovrei disattivare la protezione su un TV Samsung che usa un SEM2006. Su un altro forum ho letto che per disabilitare la protezione va messo a massa il pin 5 del SEM2006, ma sul mioTV non funziona o ho sbagliato qualcosa. C'è qualcuno che sa dirmi come procedere? Grazie.
Dovrei disattivare la protezione su un TV Samsung che usa un SEM2006. Su un altro forum ho letto che per disabilitare la protezione va messo a massa il pin 5 del SEM2006, ma sul mioTV non funziona o ho sbagliato qualcosa. C'è qualcuno che sa dirmi come procedere? Grazie.
- mariobrossh
- Moderator Maximo
- Messaggi: 17225
- Iscritto il: lun 17 ago 2009 9:11 am
- Località: Cosenza
Re: TVSamsung - Disabilitare la protezione dell'inverter della retroilluminazione SEM2006
ma di che tipo di protezione stiamo parlando, quella parentale ?
Condividere un'idea è sempre una buona idea 
Re: TVSamsung - Disabilitare la protezione dell'inverter della retroilluminazione SEM2006
No, sto parlando della protezione dell'inverter della retro illuminazione. E' un TV retroilluminato da 14 tubi alimentati dall'inverter in schema.
- Capitan Farloc
- Site Admin
- Messaggi: 9648
- Iscritto il: gio 29 dic 2005 10:58 pm
- Località: Roma
Re: TVSamsung - Disabilitare la protezione dell'inverter della retroilluminazione SEM2006
Il SEM2006 è un chip che fa da inverter per l'alimentazione della retroilluminazione del TV a LED come da te giustamente indicato, quindi immagino che tu abbia un televisore dove non si vede alcuna immagine (oppure si vede per qualche secondo e poi scompare) ma dove le altre funzioni (ad esempio l'audio) continuano a funzionare... è così?
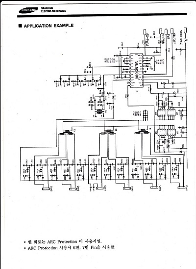
Da quanto trovo su Internet (ma anche dal riscontro su DataSheet) il pin relativo alla protezione è proprio il 5 .
Non sono esperto di televisori e non ho idea della ragione per cui ci sia questa protezione e perchè c'è questa diffusa modalità di riparare il guasto disabilitandolo.
Comunque su quel chip per disabilitare la protezione va cortocircuitato il pin 5 verso massa, se in questo modo non risolvi, allora il problema potrebbe essere relativo a qualcos'altro.
Da quanto trovo su Internet (ma anche dal riscontro su DataSheet) il pin relativo alla protezione è proprio il 5 .
Non sono esperto di televisori e non ho idea della ragione per cui ci sia questa protezione e perchè c'è questa diffusa modalità di riparare il guasto disabilitandolo.
Comunque su quel chip per disabilitare la protezione va cortocircuitato il pin 5 verso massa, se in questo modo non risolvi, allora il problema potrebbe essere relativo a qualcos'altro.
Luciano
- mariobrossh
- Moderator Maximo
- Messaggi: 17225
- Iscritto il: lun 17 ago 2009 9:11 am
- Località: Cosenza
Re: TVSamsung - Disabilitare la protezione dell'inverter della retroilluminazione SEM2006
se devi provare la retroilluminazione non ti conviene togliere la protezione all'integrato
perché rischi di bruciare l'inverter, è più semplice staccare il connettore tra inverter e pannello
e collegaci un alimentatore, te ne basta uno semplice come questo, ovviamente devi stare
molto attento alla 220 e soprattutto a non invertire la polarità sul connettore delle barre led
perché rischi di bruciare l'inverter, è più semplice staccare il connettore tra inverter e pannello
e collegaci un alimentatore, te ne basta uno semplice come questo, ovviamente devi stare
molto attento alla 220 e soprattutto a non invertire la polarità sul connettore delle barre led
Condividere un'idea è sempre una buona idea 
Re: TVSamsung - Disabilitare la protezione dell'inverter della retroilluminazione SEM2006
Scusate ma sono stato assente. Spiego meglio. Il Tv che ho trovato buttato collegandolo alla rete e premendo il pulsante di accensione emette una nota musicale e va in protezione. Esponendolo ad una sorgente di luce si intravedono sullo schermo le immagini, poi come dicevo va in protezione l'alimentatore e non si vede e sente più. Dai sintomi Ho pensato all'inverter e aprendo il pannello ho trovato un tubo fluorescente rotto. La retroilluminazione non è a led ma a tubi, ce ne sono 14, uno rotto e altri anneriti, allora ho pensato di convertirlo a led. Tutto l'inverter verrebbe bypassata ma col pin 5 a massa la protezione non si disattiva. Probabilmente c'è da intervenire anche sul pin 17. Mi chiedevo su su questo forum qualcuno aveva fattoqualcosa del genere. Grazie comunque a tutti.
- mariobrossh
- Moderator Maximo
- Messaggi: 17225
- Iscritto il: lun 17 ago 2009 9:11 am
- Località: Cosenza
Re: TVSamsung - Disabilitare la protezione dell'inverter della retroilluminazione SEM2006
intanto dovresti conosce la tensione di alimentazione di tutte le barre a led che vuoi
montare ed il loro assorbimento per poi verificare se la tensione e la corrente forniti
dall'inverter siano sufficienti ad alimentare le nuove barre led, probabilmente l'inverter
va in protezione perché il carico è in corto o non è corretto
montare ed il loro assorbimento per poi verificare se la tensione e la corrente forniti
dall'inverter siano sufficienti ad alimentare le nuove barre led, probabilmente l'inverter
va in protezione perché il carico è in corto o non è corretto
Condividere un'idea è sempre una buona idea 
- Capitan Farloc
- Site Admin
- Messaggi: 9648
- Iscritto il: gio 29 dic 2005 10:58 pm
- Località: Roma
Re: TVSamsung - Disabilitare la protezione dell'inverter della retroilluminazione SEM2006
L'inverter dovrebbe servire solo per l'alimentazione della retroilluminazione, se dopo un po' il televisore si spegne potrebbe esserci qualche altro problema.
Prima di spenderci soldi, prova a staccare (se è possibile) tutta la parte di alimentazione della retroilluminazione (lampade, inverter ecc.) e vedi se in questo modo il televisore rimane acceso o se continua ad andare in protezione
Prima di spenderci soldi, prova a staccare (se è possibile) tutta la parte di alimentazione della retroilluminazione (lampade, inverter ecc.) e vedi se in questo modo il televisore rimane acceso o se continua ad andare in protezione
Luciano
Re: TVSamsung - Disabilitare la protezione dell'inverter della retroilluminazione SEM2006
Appena avrò un po di tempo farò delle prove, come togliere l'alimentazione ai trasformatori dell'inverter, isolando così il rilevamento delle tensioni.
- Capitan Farloc
- Site Admin
- Messaggi: 9648
- Iscritto il: gio 29 dic 2005 10:58 pm
- Località: Roma
Re: TVSamsung - Disabilitare la protezione dell'inverter della retroilluminazione SEM2006
Ho tolta l'alimentazione ai trasfomatori dell'inverter e il TV non va più in protezione, ma la cosa non va bene per il mio scopo perchè non ho i 24V che mi occorrono. La prossima prova sarà di isolare i secondari dei trasformatori. Poi vi dirò.
- Capitan Farloc
- Site Admin
- Messaggi: 9648
- Iscritto il: gio 29 dic 2005 10:58 pm
- Località: Roma
Re: TVSamsung - Disabilitare la protezione dell'inverter della retroilluminazione SEM2006
Ok, un passo alla volta... mi sembra corretto
Luciano