Pialletto Bosch: problema dopo riparato

Consigli su acquisti uso e manutenzione degli utensili ed elettroutensili per i nostri lavori di fai da te e non solo
Rispondi
Avatar utente
giovanni
Messaggi: 9701
Iscritto il: gio 30 ott 2008 12:03 am
Località: siena

Pialletto Bosch: problema dopo riparato

Messaggio da giovanni »

Ho dovuto smontare il pialletto Bosch PHO 20-82 perché c'era un problema al rullo porta lama e dopo rimontato mi sono accorto che mi sono avanzati due minuscoli cilindretti di gomma nera di circa D.5 x 6mm. Dopo rimontato sembra funzioni tutto alla perfezione... però mi resta il dubbio da dove siano venuti fuori questi due cilindretti. Naturalmente, per adesso lo lascio così... però se scopro la loro funzione, la prossima volta che lo smonto ce li rimetto.
A qualcuno è capitato di smontare uno di questi pialletti e sa dove vanno questi cilindretti? :thankyouyellow:
Nessuna buona azione resta impunita
Clare Boothe Luce
Avatar utente
mariobrossh
Moderator Maximo
Messaggi: 17223
Iscritto il: lun 17 ago 2009 9:11 am
Località: Cosenza

Re: Pialletto Bosch: problema dopo riparato

Messaggio da mariobrossh »

prova qui dovrebbe esserci l'esploso della tua pialla
Condividere un'idea è sempre una buona idea :)
Avatar utente
giovanni
Messaggi: 9701
Iscritto il: gio 30 ott 2008 12:03 am
Località: siena

Re: Pialletto Bosch: problema dopo riparato

Messaggio da giovanni »

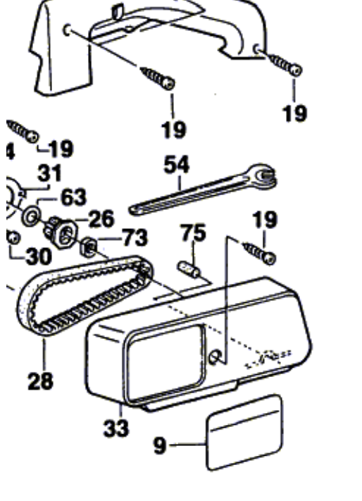
Lì non l'ho trovato... però l'ho trovato qui.
Sembra che siano i parastrappi in gomma N.75... ma non capisco dove vadano. : Sad :
Nessuna buona azione resta impunita
Clare Boothe Luce
Avatar utente
giovanni
Messaggi: 9701
Iscritto il: gio 30 ott 2008 12:03 am
Località: siena

Re: Pialletto Bosch: problema dopo riparato

Messaggio da giovanni »

Sembrerebbe il particolare N.75 denominato "parastrappi", ma si capisce poco dove vada e in più nell'esploso ne vedo uno solo. Ho fatto un ingrandimento del particolare... ma non è che aiuti più di tanto:
https://i.postimg.cc/QC0qp95j/Parastrap ... -Bosch.png
Nessuna buona azione resta impunita
Clare Boothe Luce
Avatar utente
Capitan Farloc
Site Admin
Messaggi: 9644
Iscritto il: gio 29 dic 2005 10:58 pm
Località: Roma

Re: Pialletto Bosch: problema dopo riparato

Messaggio da Capitan Farloc »

Seguendo la linea, sembra che dovresti trovarti un alloggiamento in cui inserirlo all'interno dello scatolato al centro del cerchio rosso che ho aggiunto
Parastrappi-pialla-Bosch.jpg
Parastrappi-pialla-Bosch.jpg (77.71 KiB) Visto 1867 volte
Luciano
Avatar utente
giovanni
Messaggi: 9701
Iscritto il: gio 30 ott 2008 12:03 am
Località: siena

Re: Pialletto Bosch: problema dopo riparato

Messaggio da giovanni »

Si Luciano, in effetti sembra davvero che vada in quel punto. Ora però ci rimane da capire dove vada l'altro cilindretto... visto che sono due e qui se ne vede uno solo... :-o
Nessuna buona azione resta impunita
Clare Boothe Luce
Rispondi