Cartuccia miscelatore doccia
Moderatore: dalmos
Cartuccia miscelatore doccia
Qualcuno sa che di che marce fosse questa vecchia cartuccia? E se ne esistono di compatibili?
- Allegati
-
- f48130c2-c1de-4019-ad99-a935e43e1533.jpeg (59.35 KiB) Visto 222 volte
Re: Cartuccia miscelatore doccia
.
- Allegati
-
- 03ef85aa-dd0c-4faa-a7d3-9aa6a73379e9.jpeg (66.47 KiB) Visto 218 volte
-
- 3ead006f-1bd5-4aea-af9a-414141b6153c.jpeg (54.69 KiB) Visto 218 volte
- mariobrossh
- Moderator Maximo
- Messaggi: 17310
- Iscritto il: lun 17 ago 2009 9:11 am
- Località: Cosenza
Re: Cartuccia miscelatore doccia
vai con quella in un negozio di termoidraulica e vedi se la trovi
Condividere un'idea è sempre una buona idea 
Re: Cartuccia miscelatore doccia
Ci sono stato ma è molto vecchia e non ne hanno nella mia zona… magari in questo forum qualcuno ha già avuto a che fare e riconoscendola posso cercarla online
- Capitan Farloc
- Site Admin
- Messaggi: 9703
- Iscritto il: gio 29 dic 2005 10:58 pm
- Località: Roma
Re: Cartuccia miscelatore doccia
L'unica cartuccia che ho trovato e che sembra possa essere adatta (in base ai pioli posti in basso) è questa della Schlafer:
https://www.amazon.it/Schl%C3%A4fer-480 ... 35&sr=8-25
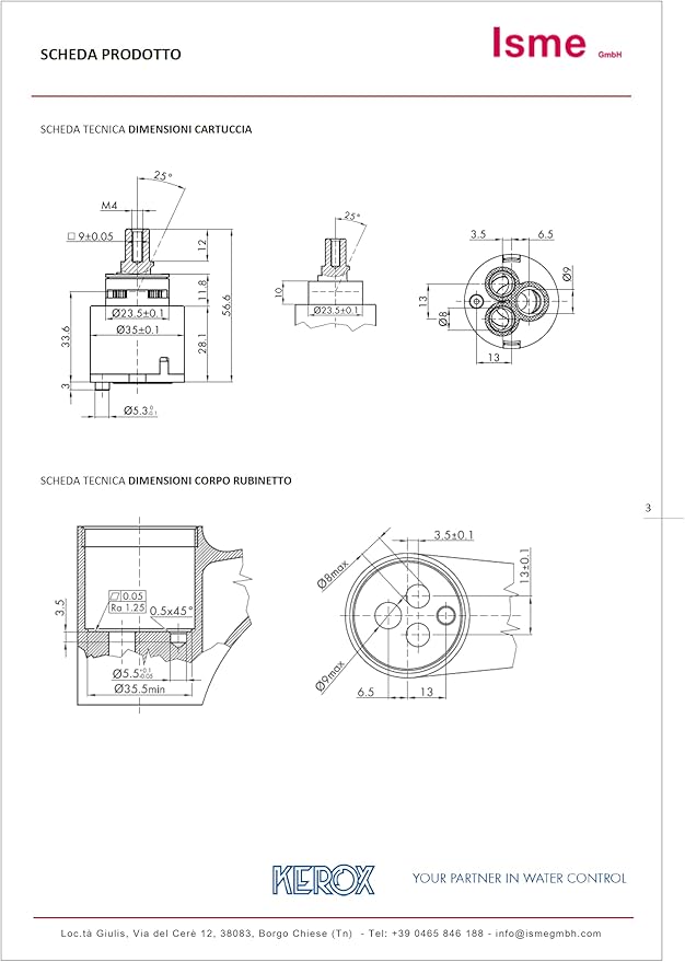
Controlla se le misure presenti in questo schema sono compatibili con la tua cartuccia:
https://www.amazon.it/Schl%C3%A4fer-480 ... 35&sr=8-25
Controlla se le misure presenti in questo schema sono compatibili con la tua cartuccia:
Luciano