NOTA BENE: L'UTILIZZO DEI DUE AUTOTRASFORMATORI IN PARALLELO E' PER ALIMENTARE UN MOTORE 400 VOLT TRIFASE UTILIZZANDO AL MONOFASE , CON L'AIUTO DI UN CONDENSATORE (NON IMPORTA SE CI SARA' PERDITA DI POTENZA). GRAZIE ANCORA
COLLEGARE IN PARALLELO DUE AUTOTRASFORMATORI
-
cianfrusone
- Messaggi: 9
- Iscritto il: ven 28 nov 2008 9:16 am
- Località: CAMPOBASSO
COLLEGARE IN PARALLELO DUE AUTOTRASFORMATORI
BUONGIORNO A TUTTI. HO LA NECESSITA' DI COLLEGARE IN PARALLELO DUE AUTOTRASFORMATORI DA 2000 VA 220/400 VOLT, IN QUANTO MI SERVE UNA POTENZA DI 4000 VA. I DUE AUTOTRASFORMATORI SONO IDENTICI, STESSA MARCA, STESSI DATI DI TARGA. POSSO FARLO O RISCHIO DI BRUCIARLI? HO FATTO UNA RICERCA SUL WEB MA NON HO TROVATO NESSUNA INFORMAZIONE UTILE. RINGRAZIO FIN D'ORA CHIUNQUE VOGLIA RISPONDERMI.
NOTA BENE: L'UTILIZZO DEI DUE AUTOTRASFORMATORI IN PARALLELO E' PER ALIMENTARE UN MOTORE 400 VOLT TRIFASE UTILIZZANDO AL MONOFASE , CON L'AIUTO DI UN CONDENSATORE (NON IMPORTA SE CI SARA' PERDITA DI POTENZA). GRAZIE ANCORA
NOTA BENE: L'UTILIZZO DEI DUE AUTOTRASFORMATORI IN PARALLELO E' PER ALIMENTARE UN MOTORE 400 VOLT TRIFASE UTILIZZANDO AL MONOFASE , CON L'AIUTO DI UN CONDENSATORE (NON IMPORTA SE CI SARA' PERDITA DI POTENZA). GRAZIE ANCORA
CIANFRUSONE
- isex
- Moderator Senior
- Messaggi: 1781
- Iscritto il: ven 03 ott 2008 11:07 pm
- Località: Messina - Palermo
Buongiorno e benvenuto. Un piccolo appunto. SCRIVERE IN MAIUSCOLO equivale a gridare e dunque e' bene evitarlo per una questione di etichetta. E' possibile mettere i due autotrasformatori in parallelo ma solo in caso di emergenza pratica, perche' in fase di progetto e' estremamente sconsigliato per due ovvi motivi
1) una leggera differenza di impedenza tra i due trasformatori provochera' la circolazione di correnti che risultera' in surriscaldamento.
2) Uno sbilanciamento di corrente potra' provocare la distruzione di uno dei due ed il danneggiamento del motore
A parte questo, se ti trovi in mezzo al mare e non hai scelta lo puoi fare; lasciarli permanenti solo se un trasformatore e' ridondato all'altro e puo' supplire da solo tutta la corrente necessaria.
1) una leggera differenza di impedenza tra i due trasformatori provochera' la circolazione di correnti che risultera' in surriscaldamento.
2) Uno sbilanciamento di corrente potra' provocare la distruzione di uno dei due ed il danneggiamento del motore
A parte questo, se ti trovi in mezzo al mare e non hai scelta lo puoi fare; lasciarli permanenti solo se un trasformatore e' ridondato all'altro e puo' supplire da solo tutta la corrente necessaria.
ISEX - Acronimo di Industrial Systems Expert (Esperto di Sistemi Industriali).
Think Safe! Work Safe!
Think Safe! Work Safe!
- Capitan Farloc
- Site Admin
- Messaggi: 9734
- Iscritto il: gio 29 dic 2005 10:58 pm
- Località: Roma
Premetto che non sono affatto esperto di elettricità...
ma che comunque anche a me l'idea di mettere in parallelo i due trasformatori non mi sembra una buona cosa...
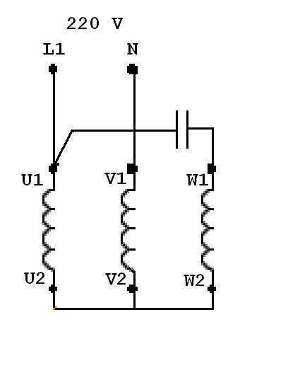
Visto però che deve alimentare un motore trifase con una corrente monofase, quindi dovrà collegare con il classico condensatore di sfasamento in questo modo...

Attenzione, non voglio consigliare cianfrusone di fare questo collegamento, ma vorrei semplicemente chiedere a chi ne capisce di più nel forum se questo è fattibile...
E' un idea assurda quella di collegare uno degli autotrasformatori sulla corrente di rete e l'altro sulla corrente sfasata dal condensatore in questo modo?

Modifico ora il messaggio per spiegare che il mio ragionamento non può funzionare, grazie ad ixa che mi ha fatto capire un dettaglioche a me era sfuggito...
Essendo uno dei collegamenti dell'autotrasformatore in comune tra entrata ed uscita, collegando i due autotrasformatori nel modo che avevo indicato, si creerebbe la situazione mostrata in questo disegno...

Quindi dal disegni si capisce che sotto dovrebbero essere presenti contemporaneamente 220Volt (che arrivano da sopra per i collegamenti dei comuni degli autotrasformatori, vedi le frecce rosse) ed i 400 Volt dell'uascita dell'autotrasformatore... questo naturalmente non è possibile e comporterebbe un corto circuito.
ma che comunque anche a me l'idea di mettere in parallelo i due trasformatori non mi sembra una buona cosa...
Visto però che deve alimentare un motore trifase con una corrente monofase, quindi dovrà collegare con il classico condensatore di sfasamento in questo modo...

Attenzione, non voglio consigliare cianfrusone di fare questo collegamento, ma vorrei semplicemente chiedere a chi ne capisce di più nel forum se questo è fattibile...
E' un idea assurda quella di collegare uno degli autotrasformatori sulla corrente di rete e l'altro sulla corrente sfasata dal condensatore in questo modo?

Modifico ora il messaggio per spiegare che il mio ragionamento non può funzionare, grazie ad ixa che mi ha fatto capire un dettaglioche a me era sfuggito...
Essendo uno dei collegamenti dell'autotrasformatore in comune tra entrata ed uscita, collegando i due autotrasformatori nel modo che avevo indicato, si creerebbe la situazione mostrata in questo disegno...

Quindi dal disegni si capisce che sotto dovrebbero essere presenti contemporaneamente 220Volt (che arrivano da sopra per i collegamenti dei comuni degli autotrasformatori, vedi le frecce rosse) ed i 400 Volt dell'uascita dell'autotrasformatore... questo naturalmente non è possibile e comporterebbe un corto circuito.
Ultima modifica di Capitan Farloc il sab 29 nov 2008 3:50 pm, modificato 1 volta in totale.
- Capitan Farloc
- Site Admin
- Messaggi: 9734
- Iscritto il: gio 29 dic 2005 10:58 pm
- Località: Roma
No... negativo...
NON SI PUO' FARE!!!!
Ieri sera ixa (il nostro santo protettore contro i cortocircuiti e gli impianti fuori norma
) mi ha mandato un MPcon questa modifica al mio disegno...


Ieri sera non riuscivo a vedere l'immagine (forse un problema temporaneo di imageshack), e non capivo... ma stamattina l'immagine si vedeva e... ha ragione
L'autotrasformatore altro non è che un trasformatore con un unico avvolgimento ed una presa centrale...
Quindi se si mette la 220 tra il comune e la presa centrale, si avranno i 400 Volt tra il comune e la presa esterna.
Dal disegno fornito da ixa, viene evidenziato che il comune è in comune (scusate il giro di parole) tra entrata ed uscita e quindi il collegamento del secondo autotrasformatore come disegnato da me, metterebbe in corto parte dell'avvolgimento del primo.....
QUINDI SI RISCHIA DI BRUCIARE GLI AUTOTRASFORMATORI!!!
Grazie ixa per il tuo preziosissimo contributo...
Ciao
NON SI PUO' FARE!!!!
Ieri sera ixa (il nostro santo protettore contro i cortocircuiti e gli impianti fuori norma


Ieri sera non riuscivo a vedere l'immagine (forse un problema temporaneo di imageshack), e non capivo... ma stamattina l'immagine si vedeva e... ha ragione
L'autotrasformatore altro non è che un trasformatore con un unico avvolgimento ed una presa centrale...
Quindi se si mette la 220 tra il comune e la presa centrale, si avranno i 400 Volt tra il comune e la presa esterna.
Dal disegno fornito da ixa, viene evidenziato che il comune è in comune (scusate il giro di parole) tra entrata ed uscita e quindi il collegamento del secondo autotrasformatore come disegnato da me, metterebbe in corto parte dell'avvolgimento del primo.....
QUINDI SI RISCHIA DI BRUCIARE GLI AUTOTRASFORMATORI!!!
Grazie ixa per il tuo preziosissimo contributo...
Ciao
-
cianfrusone
- Messaggi: 9
- Iscritto il: ven 28 nov 2008 9:16 am
- Località: CAMPOBASSO
Grazie a tutti, ora ho capito che NON si può fare.
Il problema è che avevo già comprato un autotrasformatore ELCA 220-400 volt da 2000 va, e non volendo buttarlo, pensavo fosse possibile affiancargliene un altro uguale per ottenere i 4000 va che mi servono.
Bene, visto che devo comprare un trasformatore da 4000 va, qualcuno sa indicarmi a chi posso rivolgermi per ottenerne uno a buon prezzo? Devo comprare anche un motore trifase da 3.2 - 3.5 KW.
Il motore ed il trasformatore mi servono per realizzare un convertitore di fase rotativo (rotary phase converter in inglese) per convertire i 220 volt monofase di casa in 400 volt trifase (si vendono già belli e fatti per 7-800 euro in Inghilterra).
Se ci riesco, credo che interesserà a molti un simile apparecchio, che consente di utilizzare macchine trifase nel garage di casa anche per chi non dispone della trifase 400 volt.
Se qualcuno sa darmi un suggerimento anche per il motore, gli sono grato.
Vostro Cianfrusone
Il problema è che avevo già comprato un autotrasformatore ELCA 220-400 volt da 2000 va, e non volendo buttarlo, pensavo fosse possibile affiancargliene un altro uguale per ottenere i 4000 va che mi servono.
Bene, visto che devo comprare un trasformatore da 4000 va, qualcuno sa indicarmi a chi posso rivolgermi per ottenerne uno a buon prezzo? Devo comprare anche un motore trifase da 3.2 - 3.5 KW.
Il motore ed il trasformatore mi servono per realizzare un convertitore di fase rotativo (rotary phase converter in inglese) per convertire i 220 volt monofase di casa in 400 volt trifase (si vendono già belli e fatti per 7-800 euro in Inghilterra).
Se ci riesco, credo che interesserà a molti un simile apparecchio, che consente di utilizzare macchine trifase nel garage di casa anche per chi non dispone della trifase 400 volt.
Se qualcuno sa darmi un suggerimento anche per il motore, gli sono grato.
Vostro Cianfrusone
CIANFRUSONE